Nota : Presionar doble click sobre cada imagen para agrandarla:
Alarma por corte de conducción :


Fuente Regulable de 0 a 15 V :
Esta fuente puede servir para alimentar tus montajes,proporciona una salida de entre 0V y 15 V y una intensidad de 500ma ,es decir una potencia de 7,5 W .No necesariamente debe ser un transformador con derivación central de tierra también puede usarse uno monofásico de 2 polos .Conectandolo con un puente de diodos al segmento A(+) y B(-). Nota : Presionar doble click sobre cada imagen para agrandarla:
Circuito On/Off Temporizado:
Permite controlar una carga de hasta 200mA a través de un circuito de demora de encendido y apagado:
Nota : Presionar doble click sobre cada imagen para agrandarla:
Controlador de balance de Audio :

Amplificador para Micrófono Electrec:
Acondiciona la señal de salida de un microfono electrec con el uso de un amplificador operacional .
Nota : Presionar doble click sobre cada imagen para agrandarla:
Mezclador Dual :
Permite mezclar dos señales de audio mediante el uso de un 2N3819.

Nota : Presionar click sobre cada imagen para agrandarla:
Fuente:
Recreateoficial
Alarma por corte de conducción :
Este circuito se activa cuando Tr1 detecta la ausencia de cierre en su entrada ,es decir ,el disparo en conjunto o individual de alguno de los interruptore (S1,S2,S3),ocacionará el disparo del circuito y la habilitación de K1.

Oscilador Astable :
Un astable es un multivibrador que no tiene ningún estado estable, lo que significa que posee dos estados "cuasi-estables" entre los que conmuta, permaneciendo en cada uno de ellos un tiempo determinado. La frecuencia de conmutación depende, en general, de la carga y descarga de condensadores.Este es un Astable pero que en ves de utilizar los circuitos convencionales se vale de un LM358.
Contador de 1 Entrada hasta 10 Basado en el I.C4017 :
Cada vez que recibe un un pulso en su entrada cambia la cuenta entre sus pines del (3 al 11) siendo la cuenta tal y como se muestra en el circuito .Entre sus posibles aplicaciones estan :conteo de eventos,semaforo,control de velocidad regulable,entre otros.
Fuente Regulable de 0 a 15 V :
Esta fuente puede servir para alimentar tus montajes,proporciona una salida de entre 0V y 15 V y una intensidad de 500ma ,es decir una potencia de 7,5 W .No necesariamente debe ser un transformador con derivación central de tierra también puede usarse uno monofásico de 2 polos .Conectandolo con un puente de diodos al segmento A(+) y B(-). Nota : Presionar doble click sobre cada imagen para agrandarla:
Circuito On/Off Temporizado:
Permite controlar una carga de hasta 200mA a través de un circuito de demora de encendido y apagado:
Nota : Presionar doble click sobre cada imagen para agrandarla:
Permite el control de los agudos y bajos a traves de los potenciometros (VR1 y VR2)
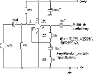
Amplificador para Micrófono Electrec:
Acondiciona la señal de salida de un microfono electrec con el uso de un amplificador operacional .
Nota : Presionar doble click sobre cada imagen para agrandarla:
Mezclador Dual :
Permite mezclar dos señales de audio mediante el uso de un 2N3819.

Nota : Presionar click sobre cada imagen para agrandarla:
Fuente:
Recreateoficial